

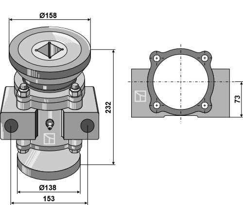
Indvendig flange og udvendig flange til 50x50 firkantet aksel
Salgspris 369,00 SEK/ Ekskl. moms
Vægt: 1730 kg














































